Feux Led sur vieux coucou
Re: Feux Led sur vieux coucou
Un dessin comparatif fait par Valéo sur les emballages :
- LOU01
- Modérateur
- Messages : 8626
- Enregistré le : 23 mars 2010, 17:27
- Le bolide : 4/4 Série V 1965
- Ma région : Au sud de Malvern.
- Localisation : La Dombes, terre Ain'dienne, à l'Est de la capitale des Gaules.
- Contact :
Re: Feux Led sur vieux coucou
Bien, et esthétiquement, ils ressemblent à quoi, tu n'as pas une photo à nous présenter ?
LOU01
-
hbr5
- Pilote of the Real Sport Car

- Messages : 3414
- Enregistré le : 15 juil. 2011, 19:41
- Le bolide : vieux tourer
- Ma région : languedoc
Re: Feux Led sur vieux coucou
LOU01 a écrit :Bien, et esthétiquement, ils ressemblent à quoi, tu n'as pas une photo à nous présenter ?
Tu vois le chaudron pour les confitures ..... c'est juste un peu plus grand
Donner c'est donner mais repeindre ses volets...... et sinon ça va ????
- 4HP
- Modérateur
- Messages : 4711
- Enregistré le : 12 mai 2011, 22:06
- Le bolide : 4/4 Tourer 1970
- Ma région : 77
- Localisation : Touraine
Re: Feux Led sur vieux coucou
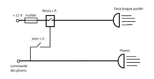
CorsaRed a écrit : ......c'est un montage de relais, non ? .........
Oui, deux relais en série pour assurer la fonction "ET"
Dans ce cas les LP éclairent uniquement si l'interrupteur des LP est fermé et si les phares sont alimentés.
En fait c'est le même montage que pour coupler les antibrouillards avec les feux de croisement.
Edition de 13h25
Je ne devais ne pas être bien réveillé ce matin.
Il est possible de faire plus simple, et prenant la commande du relais L.P. sur l'alimentation des phares; seul inconvénient si on veut un témoin de LP il vaut mieux prendre le 1er schéma qui permet d'avoir un témoin qui s'allume même quand les L.P. ne sont pas allumés eux-mêmes
- Tinou
- Pilote un Morgan

- Messages : 1558
- Enregistré le : 08 oct. 2019, 14:51
- Le bolide : +4 2009
- Ma région : Occitanie
Re: Feux Led sur vieux coucou
4HP a écrit :CorsaRed a écrit : ......c'est un montage de relais, non ? .........
Oui, deux relais en série pour assurer la fonction "ET"
Dans ce cas les LP éclairent uniquement si l'interrupteur des LP est fermé et si les phares sont alimentés.
En fait c'est le même montage que pour coupler les antibrouillards avec les feux de croisement.
Câblage LP.jpg
Merci, effectivement c’est une très bonne idée !
Re: Feux Led sur vieux coucou
LOU01 a écrit :Bien, et esthétiquement, ils ressemblent à quoi, tu n'as pas une photo à nous présenter ?
Voilà pour votre service.
Sur l'ancienne Alpine, car sur la Morgan, je pratique trop peu la montagne de nuit pour justifier la modif. (A noter qu'à l'époque, la carrosserie de la voiture était, d'origine, prévue pour recevoir cet accessoire, de nos jours, nada
- LOU01
- Modérateur
- Messages : 8626
- Enregistré le : 23 mars 2010, 17:27
- Le bolide : 4/4 Série V 1965
- Ma région : Au sud de Malvern.
- Localisation : La Dombes, terre Ain'dienne, à l'Est de la capitale des Gaules.
- Contact :
Re: Feux Led sur vieux coucou
Le Canut a écrit :LOU01 a écrit :Bien, et esthétiquement, ils ressemblent à quoi, tu n'as pas une photo à nous présenter ?
Voilà pour votre service.
Sur l'ancienne Alpine, car sur la Morgan, je pratique trop peu la montagne de nuit pour justifier la modif. (A noter qu'à l'époque, la carrosserie de la voiture était, d'origine, prévue pour recevoir cet accessoire, de nos jours, nada)
Ben oui, mais à l'époque, y'avait des accessoires, mais c'est vrai que sur le Morgan, peux faire un poil "too much", mais why not...
Oui, mais sur la dernière mouture de la berlinette, y'a un autoradio stéréo et doit y avoir un porte gobelet, autre temps, autre mœurs...
LOU01
- TOC78
- Pilote un roadster

- Messages : 855
- Enregistré le : 08 avr. 2010, 23:20
- Le bolide : Tourer V6
- Ma région : A l'Ouest
Re: Feux Led sur vieux coucou
Le Canut a écrit :LOU01 a écrit :Bien, et esthétiquement, ils ressemblent à quoi, tu n'as pas une photo à nous présenter ?
Voilà pour votre service.
Sur l'ancienne Alpine, car sur la Morgan, je pratique trop peu la montagne de nuit pour justifier la modif. (A noter qu'à l'époque, la carrosserie de la voiture était, d'origine, prévue pour recevoir cet accessoire, de nos jours, nada)
IMG_2635.JPG
Merci Le Canut,
En fait tu as les LP + les Virages... sûr que ça éclaire.
Devant ton enthousiasme, je me posais la question de remplacer mes LP par des Virage, mais ils seraient alors un peu courts..
Et vu la taille, les deux seraient un peu encombrants sur une brave Morgan..
Sinon, ça va ?
TOC78
TOC78
Re: Feux Led sur vieux coucou
TOC78 a écrit : Devant ton enthousiasme, je me posais la question de remplacer mes LP par des Virage, mais ils seraient alors un peu courts..
Et vu la taille, les deux seraient un peu encombrants sur une brave Morgan..
Ca c'est pratiqué, pour le Monte Carle. Pour passer le Turini, par exemple :
- TOC78
- Pilote un roadster

- Messages : 855
- Enregistré le : 08 avr. 2010, 23:20
- Le bolide : Tourer V6
- Ma région : A l'Ouest
Re: Feux Led sur vieux coucou
Belles gamelles tout de même.
Ayant passé les phares d'origine en LED, ils pourraient suffire comme LP, et le montage des virages justifié en complément..reste la question de l'esthétique... et du sacrifice du Cx exceptionnel de nos voitures.
Bien envie d'essayer
Ayant passé les phares d'origine en LED, ils pourraient suffire comme LP, et le montage des virages justifié en complément..reste la question de l'esthétique... et du sacrifice du Cx exceptionnel de nos voitures.
Bien envie d'essayer
Sinon, ça va ?
TOC78
TOC78
-
Popeye
- Pilote un roadster

- Messages : 757
- Enregistré le : 02 juin 2015, 08:40
- Le bolide : roadster V6
- Ma région : Aquitaine
Re: Feux Led sur vieux coucou
Sûr que la batterie n'était pas d'origine 
- PhilippeF75
- Pilote un roadster

- Messages : 717
- Enregistré le : 03 avr. 2022, 10:32
- Le bolide : Plus 4 1968
- Ma région : Parisien délocalisé
- Localisation : Guadeloupe et bientôt Drôme définitivement
- Contact :
Re: Feux Led sur vieux coucou
Bonjour,
Je rebondis sur le schéma électrique des LP et la remarque disant qu'il était identique à celui des AB et des feux de croisement. En réalité, non, le Code de la Route impose d'éteindre les AB dans les mêmes conditions que les LP et les feux de route. Donc, le schéma n'est pas le même.
Je rebondis sur le schéma électrique des LP et la remarque disant qu'il était identique à celui des AB et des feux de croisement. En réalité, non, le Code de la Route impose d'éteindre les AB dans les mêmes conditions que les LP et les feux de route. Donc, le schéma n'est pas le même.
- TOC78
- Pilote un roadster

- Messages : 855
- Enregistré le : 08 avr. 2010, 23:20
- Le bolide : Tourer V6
- Ma région : A l'Ouest
Re: Feux Led sur vieux coucou
TOC78 a écrit :Jak a écrit :4HP a écrit :j'ai avantageusement remplacé les codes européens qui étaient bien piqués par des optiques H4 , pour un résultat tout à fait correct.
Tout pareil !
Perso j'ai monté des LP et mis des H4 à LED.. c'est bien blanc, du coup les LP font un peu jaune.
Pas encore sorti de nuit avec cet éclairage, mais dans mon garage ça arrose !![]()
Bon alors, j'ai réussi à sortir de mon garage, et j'ai roulé de nuit, beaucoup.
Les H4 à LED ont complètement transformé l'éclairage de la voiture, en feux de croisement comme en pleins phares. Je retrouve la même visibilité qu'avec des xénon ! Très impressionné...
Sinon, ça va ?
TOC78
TOC78
- 4HP
- Modérateur
- Messages : 4711
- Enregistré le : 12 mai 2011, 22:06
- Le bolide : 4/4 Tourer 1970
- Ma région : 77
- Localisation : Touraine
Re: Feux Led sur vieux coucou
[quote="PhilippeF75"...... Donc, le schéma n'est pas le même.[/quote]
Et donc le schéma est....?
Et donc le schéma est....?
- Rêveur
- Pilote of the Real Sport Car

- Messages : 4530
- Enregistré le : 28 mars 2015, 16:49
- Le bolide : Roadster V6 3L 2005
- Ma région : 39.... très souvent!
Re: Feux Led sur vieux coucou
TOC78 a écrit :TOC78 a écrit :Jak a écrit :
Tout pareil !
Perso j'ai monté des LP et mis des H4 à LED.. c'est bien blanc, du coup les LP font un peu jaune.
Pas encore sorti de nuit avec cet éclairage, mais dans mon garage ça arrose !![]()
Bon alors, j'ai réussi à sortir de mon garage, et j'ai roulé de nuit, beaucoup.
Les H4 à LED ont complètement transformé l'éclairage de la voiture, en feux de croisement comme en pleins phares. Je retrouve la même visibilité qu'avec des xénon ! Très impressionné...
J'ai mis des LP couplés sur mes feux de routes en revanche quand je repasse en feux de croisement l'éclairage semble faible. Peux-tu m'indiquer quelle est la référence des ampoules led que tu utilises?
Retourner vers « L'électricité. »
Qui est en ligne
Utilisateurs parcourant ce forum : Aucun utilisateur enregistré et 5 invités